-
abg欧博机械
·投料输送搅拌
WANDA MACHINERY
垂直振动提升机
产品类别:
投料输送搅拌
产品描述:
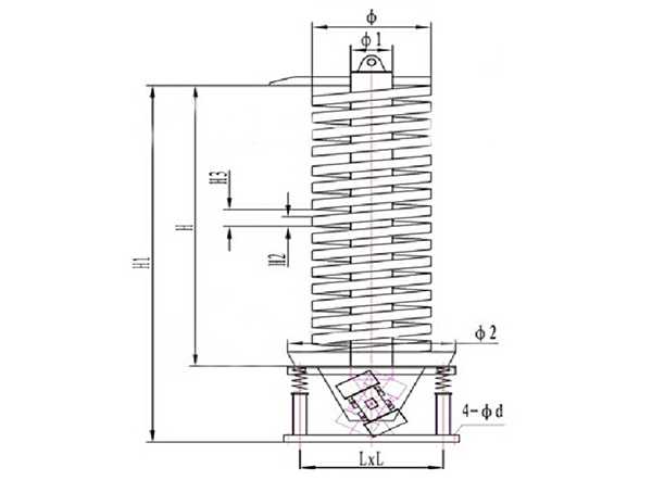
垂直振动提升机用途和特点本机对一切颗粒状、块状、粉状的固体物料(粘度不大)都可以输送。因此可广泛用于军工、机械、化工、冶金、矿山、橡胶、塑料、轻工、制药、食品加工、粮食、农牧等行业作为散状物料的提升设备。>>点击此处咨询更多详情WZCS系列垂直振动输送机的驱动装置振动电机安装在输送塔下部,两台振动电机对称交叉安装,输送塔由管体和焊接在管体周围的螺旋输送槽组成,输送塔座于减振装置上,减振...
产品详情
垂直振动提升机用途和特点
本机对一切颗粒状、块状、粉状的固体物料(粘度不大)都可以输送。因此可广泛用于军工、机械、化工、冶金、矿山、橡胶、塑料、轻工、制药、食品加工、粮食、农牧等行业作为散状物料的提升设备。
WZCS系列垂直振动输送机的驱动装置振动电机安装在输送塔下部,两台振动电机对称交叉安装,输送塔由管体和焊接在管体周围的螺旋输送槽组成,输送塔座于减振装置上,减振装置由底座和隔振弹簧组成。当垂直输送机工作时,根据双振动电机自同步原理,由振动电机产生激振力,强迫整个输送塔体作水平圆运动和向上垂直运动的空间复合振动,螺旋槽内的物料则受输送槽的作用,作匀速抛掷圆运动,沿输送槽体向上运动,从而完成物料的向上(或向下)输送作业。
本机设计结构简单、便于安装和使用维护、能源消耗小、占地面积少,节省投资。
本机具有从下向上和从上向下输送物料的功能。按不同的生产工艺要求制成开式或封闭式结构。封闭式输送能防止有害气体和粉尘溢散。根据用户需要,改变本机结构,可以在输送物料的同时,完成诸如冷却、干燥、筛分等工艺过程。
?关于垂直振动提升机、圆形摇摆筛、方形摇摆筛、平面回转筛、超声波振动筛、除尘器等更多详情,可随时致电abg欧博机械详询!
相关产品
立即订购
相关新闻
- 齐心协力,再创佳绩-abg欧博机械年会盛典圆满落幕... 2024-02-07
- 新乡举办2023中原农谷首届振动机械产业博览会... 2023-08-26
- 2022中国(新乡)振动筛分产业博览会圆满闭幕... 2022-09-06
- 超声波振动筛与摇摆筛两位同学的对话采访... 2022-07-02
- 回转筛与推拉筛到底一样不一样... 2022-06-24
- 圆形摇摆筛安装调试注意事项... 2022-06-22
- 摇摆筛受欢迎的原因是它的优势很突出... 2022-06-20
- 摇摆筛为啥能在市场上取得良好的表现... 2022-06-17
- 摇摆筛跟振动筛比有啥不一样的优势... 2022-06-15